MEG-Glaser, Wasseruhren für genaue Dosierung
Wasseruhren
free homepages Wasseruhren
für genaue Dosierung
. .Endress + Hauser  Promag F30.
.
Die elektrodynamischen Wasseruhren (genau: Durchflußmesser) haben keine beweglichen Teile, die schmutzempfindlich wären.

Außerdem ist der volle Querschnitt für den Durchfluß verfügbar, es sind keine Drosseln oder Turbinenrädchen in der Strömung vorhanden

Electrodynamical flowmeters have no moving parts, which would be sensitive to contamination by mud. The full tube profile is free of throttels and turbine wheels. This makes them perfect for long life accurate liquid dosage.

 

E+H Promag F30
. .
.
Funktions-
Prinzip
Funktionsprinzip .
Das physikalische Meßprinzip ist das selbe, das auch in einem Stromgenerator die elektrische Spannung erzeugt. In einem Leiter, der sich durch ein Magnetfeld bewegt, wird eine elektrische Spannung induziert. Die Spannung ist von der Stärke des Magnetfeldes B, der Leiterlänge L und der Geschwindigkeit v proportional abhängig.

Dafür ist es notwendig, daß die Flüssigkeit zumindest eine geringe elektrische Leitfähigkeit hat. Leitungswasser ist dafür problemlos geeignet, auch wenn es nicht verschmutzt ist.
.

. .
.
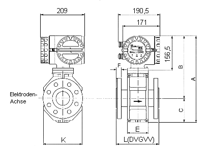
Maße
Abmessungen der Typen, die in Mischanlagen für Beton angewendet werden. Abmessungen
Nennw. Zoll L A B C K E
15mm 1/2" 200 340,5 256,5 84 120 94
25mm 1" 200 340,5 256,5 84 120 94
32mm - 200 340,5 256,5 84 120 94
40mm 6/4" 200 340,5 256,5 84 120 94
50mm 2" 200 340,5 256,5 84 120 94
65mm - 200 390,5 281,5 109 180 94
80mm 3" 200 390,5 281,5 109 180 94
100mm 4" 250 390,5 281,5 109 180 94
 Hinweis: Das Maß K ist nicht der Flansch-Durchmesser. 
.
Durchfluß
.
Nennw min. 10mm/s
min. Durchfluß
0,5m/s 2,5m/s 
Nenndurchfl.
= Dosierzeit
15   1/2" 0,00167 0,083 0,42 240
25   1" 0,0056 0,278 1,39 72
32 0,0083 0,417 2,08 48
40   6/4" 0,0111 0,556 2,76 36
50   2" 0,022 1,11 5,56 18
65 0,033 1,67 8,33 12
80  3" 0,056 2,78 13,9 7,2
100   4" 0,083 4,17 21 4,8
l/s l/s l/s s/100lit
Der maximale Durchfluß ist 10m/s, aber dabei muß generell in den Rohrleitungen mit starkem Druckverlust gerechnet werden. Man sollte ca. 2,5 bis 5 m/s für die Normal- oder Grobdosierung anstreben.
.
  Rechner .
.
Venturi
Verjüngung, VenturirohrEine Verjüngung der Wasserleitung durch die Wasseruhr ist höchst empfehlenswert, um die Strömungsgeschwindigkeit zu erhöhen. Mit geeigneten Rohrstücken werden keine Wirbel gebildet und der Druckabfall ist minimal.

Wir liefern gerne geeignete Rohrstücke, die für den Einbau durch Ihren ortsansässigen Wasserinstallateur vorbereitet sind. Der Installateur kann das komplett in gewohnter Weise mit Holländern einbauen.

. .
.
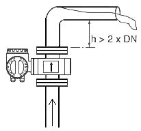
Einbau
in
steigende
Rohrleitung
 
Die Wasseruhr muß in eine steigende Leitung eingebaut werden, damit das Rohr immer total gefüllt ist. Einbau in steigende Leitung
. .
.
Turbinen-
rad
.
Impulswasseruhr mit Turbinenrädchen Impulswasseruhr mit Tuirbinenrad, eine sehr billige Variante. 

Diese Wasseruhren liefern einen Impuls pro Liter oder pro 0.5 l. Sie haben einen Näherungsschalter (Initiator) oder einen Reed-Kontakt oder einen Lichtschranken, der die Drehbewegung erfaßt. Ein Untersetzungsgetriebe ähnlich einem Uhrwerk macht diese Art von Wasseruhren störanfällig.

.
. .
.
anschließen
Die Wasseruhren werden von unseren Technikern an den ATLAN Computer angeschlossen und bei der Inbetriebnahme auf den Meßbereich eingestellt.

Solche Wasseruhren haben wir auch für kontinuierliche Mischanlagen eingesetzt, sie liefern Literimpulse (die kleineren auch 0,1l) und einen analogen Ausgang zur Anzeige der Durchflußgeschwindigkeit.

ATLAN logo
Von uns bekommen Sie eine ordentliche Technik für Ihr Geld
.
Neben den Wasseruhren kommt es auch sehr auf die Anordnung der Ventile, der Düsen und der ganzen Rohrverlegung an, wie präzise die Wasserzugabe in den Mischer funktioniert. Bitte setzen Sie sich bei Fragen mit uns in Verbindung. konstante Qualität und hohe Produktionsleistung

A. Dangl Plattling  Eine unserer ersten Anlagen, noch lang vor dem ATLAN gebaut . In der Anfangszeit unseres Unternehmens haben wir Computerbaugruppen von großen, renommierten Firmen eingesetzt. Das hat sich aber nicht bewährt. Die Saurier haben eine Modellpolitik, die den Bedürfnissen unserer Kunden nicht entspricht. Nach ein paar Jahren sind keine Ersatzteile mehr verfügbar und meistens sind auch die Mitarbeiter längst in andere Abteilungen versetzt worden.

Deshalb haben wir mit einem Kraftakt den ATLAN Computer entwickelt, für den wir den Kopf hinhalten. Da kennen wir jeden Widerstand und können auch nach 15 Jahren noch Ersatzteile anfertigen.

Wir bauen den ATLAN Computer für die Produktion, dort wo das Geld verdient wird. 
 
Für uns ist jeder einzelne Kunde der allerwichtigste. 

Und wir überzeugen ihn von der Notwendigkeit einer stabilen, zuverlässigen Technik für die Halle, oft auch gegen den Widerstand seiner Bürocomputer - Experten, die die bunten Bildchen fü;r das höchste an Technologie halten.

.
Wasser-
waagen
 
sind eine schnelle Einrichtung zur Wasserzugabe in den Mischer.

Sie werden bevorzugt bei Lieferbetonwerken (Frischbeton) eingesetzt, weil da ihre Hauptvorteile besonders zum Tragen kommen: die Geschwindigkeit und die Möglichkeit, das Waschwasser zu verwerten (recycling).

Die hohe Geschwindigkeit der Wasserzugabe ist bei Werksbeton - Mischanlagen nicht so ausschlaggebend, weil da eine signifikant längere Naßmischzeit eingehalten werden muß. Dabei kann ein Teil der Leitungswasser - Dosierung bereits als Naßmischzeit einbezogen werden. Außerdem ist die Wasserverteilung im Mischer mit Leitungswasser über Düsen im Ring besser, was Naßmischzeit sparen kann.

Bei Lieferbeton - Mischanlagen wird oft ein erheblicher Teil des Wassers direkt auf die Zuschläge dosiert, bevor die Zementwaage entleert wird. Das dient zur Mischerreinigung.

Bei Werksbeton - Mischanlagen ist die Feuchtemessung im Mischer in den meisten Fällen vorzuziehen. Das führt aber zum Haupt- Nachteil der Wasserwaage. Eigentlich kann erst dann mit der Befüllung der Wasserwaage begonnen werden, wenn die Feuchte der Zuschlagstoffe gemessen ist. Dann aber ist es bereits zu spät, weil nach der Messung das Wasser ja schon in die Mischung fließen soll.

Einige Mischanlagen - Hersteller liefern subtraktive Wasserwaagen, d.h. die Dosierung geschieht beim Entleeren. Es wird einfach nicht bis zur leeren Waage entleert. Dieses Verfahren funktioniert nirgends wirklich gut und genau. Entweder wird mit hoher Geschwindigkeit entleert, was ja der Hauptvorteil der Wasserwaage sein sollte, dann ist die Dosierung nicht genau, oder langsam, eventuell mit aufwendigem Grob-/Feinstrom, dann ist es nicht schnell.

C.Bergmann, Linz/TraunEin weiterer Nachteil der subtraktiven Methode besteht darin, daß die Waage nicht gespült wird, was zum Schlamm-Ansatz und zu undichten Entleerventilen oder Entleerklappen (Ebro-Klappen) führt, die nie gereinigt werden.

ATLAN - Mischanlagen haben eine Feuchte - Korrekttur am Fernbedienkästchen jedes Maschinisten. Bei der Fließwasserdosierung ist ein Eingriff bis zum Schluß möglich, bei der Wasserwaage nicht (außer bei der subtraktiven Dosierung, die wir nicht anwenden).

Wir empfehlen unseren Kunden, die eine Wasserwaage einbauen möchten oder müssen, die Kombination mit der Leitungswasserdosierung über eine Wasseruhr. Der ATLAN kann dann einen Teil des Wassers als Recyclingwasser verwiegen und die Feindosierung mit Leitungswasser durchführen. Dazu gehört auch das Spülwasser für die Wasserwaage und die übrigen Flüssigkeitswaagen (Farbwaage, Zusatzmittel, Microsilika), das einfach über die Wasseruhr geführt wird.

Der ATLAN Computer berechnet das schon richtig. Er berücksichtigt auch den Feinstoffanteil im Recyclingwasser, aber das ist nichts Besonderes, es funktioniert so ähnlich wie die Materialkorrektur aus der Sandfeuchte.

Ein wichtiger Aspekt ist die Handzugabe des Wassers durch den Mischmeister "nach Gefühl". Mit der Wasseruhr ist das leicht, mit einer Wasserwaage allein dagegen fast nicht machbar. Sowas ist bei Lieferbeton - Mischanlagen unwichtig, daher denken die Hersteller von herkömmlichen Mischanlagen eben zu wenig an die Bedürfnisse eines Werksbeton Mischmeisters.

. .
Spülwasser.
Bei der Planung kombinierter Anlagen (Wasserwaage und Wasseruhr) muß darauf geachtet werden, welche Wasserleitungen vor und nach der Wasseruhr angeschlossen werden. Das Spülwasser für die Wasserwaage muß über die Wasseruhr erfaßt werden, weil ja bei offenem Entleerventil gespült wird.

Das selbe gilt natürlich auch für das Spülwasser zu den Zusatzmittel- und Slurryfarbwaagen und für die Microsilikawaage.

Das hört sich hier logischer an, als es dann erfahrungsgemäß an der Baustelle für den Wasserinstallateur ist! 

Ähnlich schwer ist ihm oft auch zu erklären, daß und wieso keine Leitung von den Dosierventilen bis zum Mischer mit Gefälle verlegt werden darf.
.

Schema: Wasserleitungen
Die Wasserwaage benötigt meistens eine Feinstromdüse, weil die Schmutzwasserpumpe keinen gleicbleibenden Nachlauf hat. Das Schmutzwasser wird mit einer derart hohen Strömungsgeschwindigkeit gefördert, daß die bewegte Wassersäule einfach nicht genau genug gestoppt werden kann. Das kann sogar dazu führen, daß sich dicke Gummischläuche zusammendrücken.
.
.
Dosiertechnik von Flüssigkeiten | MEG-Glaser | quick index | Wasserdosiergerät |
| Zusatzmitteldosierung  | GWMIX | WMIX | Terminal | Blockbild | Argumente | e-mail |
.
. Hauptindex MEG-Glaser
Copyright © 1999 Mühlviertler Elektronik Glaser A-4191 Vorderweißenbach